본문 바로가기

분류 전체보기1383

리눅스 Patch 사용 방법과 명령어 (Linux 패치 확인) 리눅스 Patch 사용 방법과 명령어 (Linux 패치 확인) 기본적인 튜토리얼은 아래 사이트를 참조하세요. 리눅스 Patch 참조할 사이트 1. Introduction: Using diff and linux patch [링크] 2. linux patch(1) - Linux man page (개인적으로 추천하는 사이트) [링크] 3. How to apply a linux patch [링크] 튜토리얼은 생략하고 바로 patch 하시려면 아래 내용을 따라 하세요. 우선, 리눅스 patch의 기본 형태는 아래와 같습니다. 1 [rechosen@localhost ~]$ diff originalfile updatedfile cs 패치 방법에는 두 가지가 있습니다. 압축되지 않은 패치 대상인 파일들을 교체하거나, .. 2018. 2. 14.
No operations to display at this time, eclipse, android 해결법 (Graphical Layout) No operations to display at this time, eclipse, android 해결법 (Graphical Layout) Graphical Layout에서 미리 보기가 잘 안되는 경우엔 대부분 아래와 같은 에러 메시지를 내뿜습니다. No operations to display at this time.No XML content. Please add a root view or layout to your document. XML이 서로 맞물려 있는 Main Activity의 경우.Failed to parse.......xml 여러가지 해결방법이 존재하는데 모든 방법이 나에게 맞는 건 아닙니다. 아래는 제가 해결했던 방법입니다. - 해결 방법 1. 해당 프로젝트 우클릭 - Close Proj.. 2018. 2. 13.
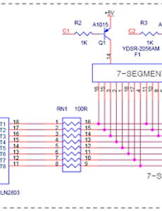
ULN2803 사용법, 회로도, 특징 설명 (tr 증폭과 발광 다이오드 역전류) ULN2803 사용법, 회로도, 특징 설명 (tr 증폭과 발광 다이오드 역전류) 모터나 발광 다이오드 구동 시 TTL 계열의 IC로 구동시키기에 무리가 따릅니다. 1. 구동 중 스위치 작용에 의한 역전류 발생.2. IC에 무리로 이어짐. 그래서, 사용 전압, 전류 정격이 높은 달링턴 트랜지스터가 어래이 형태로 들어있는 ULN2803을 사용합니다. tr이 두 개 연결된 형태, 전류 증폭용 윗 그림은 7Segment LED(발광 다이오드)와 연결된 ULN2803을 나타냅니다. 애초부터 역전류를 방지하기 위해 제작된 IC이기 때문에, 위와 같이 ULN2803을 사용할 경우 반전을 통해 자릿수에 맞는 결과를 출력합니다. ULN2803 사용법, 회로도, 특징 설명 (tr 증폭과 발광 다이오드 역전류) 2018. 2. 12.
안드로이드 퀵메뉴(말풍선), 리스트뷰와 버튼에 추가하는 소스 안드로이드 퀵메뉴(말풍선), 리스트뷰와 버튼에 추가하는 소스 안드로이드 퀵액션 메뉴를 리스트뷰(Listview)와 버튼에 추가하는 예제 소스입니다. 첨부된 소스를 실행하면 두 가지 메뉴를 볼 수 있습니다. 안드로이드 퀵메뉴 프로젝트 - Android QuickAction.zip [링크] 예제의 안드로이드 퀵메뉴(말풍선) 소스를 응용하면, 아래처럼 블루투스 검색창도 이쁘게 꾸밀 수 있습니다. 아래 그림은 별도로 제작한 프로그램에 삽입된 것으로 테스트용도로 제작된 것입니다. 리스트뷰와 버튼에 추가됩니다. 퀵 메뉴를 띄우기 위해선 아래 소스로 메뉴들을 정의합니다. 1234567891011121314151617181920ListView mList = (ListView) findViewById(R.id.list).. 2018. 2. 11.